製品詳細

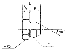
ブラインドプラグ(1050)MS-1 | ||||||
品番 | 呼び径 | ネジT1 | 全長L | 寸法A | 寸法B | HEX |
1050(MS-1) | 1/8 | G 1/8 | 20 | 7 | 13 | 14 |
1/4 | G 1/4 | 24 | 8 | 16 | 17 | |
3/8 | G 3/8 | 25.5 | 8 | 17.5 | 19 | |
1/2 | G 1/2 | 30 | 10 | 20 | 22 | |
3/4 | G 3/4 | 33.5 | 12 | 21.5 | 32 | |
1” | G 1” | 36.5 | 14 | 22.5 | 36 |

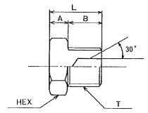
ブラインドプラグ(1040)MS-3 | ||||||
品番 | 呼び径 | ネジT1 | 全長L | 寸法A | 寸法B | HEX |
1040(MS-3) | 1/4 | G 1/4 | 21 | 8 | 13 | 17 |
3/8 | G 3/8 | 23 | 8 | 15 | 19 | |
1/2 | G 1/2 | 28 | 10 | 18 | 22 | |
3/4 | G 3/4 | 32 | 12 | 20 | 32 | |
1” | G 1” | 36 | 14 | 22 | 36 |

ブラインドソケット(1051)MS-4 | ||||||
品番 | 呼び径 | ネジT1 | 全長L | 寸法A | HEX1 | HEX2 |
1051(MS-4) | 1/8 | 都度見積品 | ||||
1/4 | G 1/4 | 25 | 8 | 19 | 17 | |
3/8 | G 3/8 | 27 | 8 | 22 | 19 | |
1/2 | G 1/2 | 32 | 10 | 27 | 22 | |
3/4 | G 3/4 | 35 | 12 | 36 | 32 | |
1” | G 1” | 40 | 14 | 41 | 36 |

ブラインドソケット(1042)MS-2 | ||||||
品番 | 呼び径 | ネジT1 | 全長L | 寸法A | HEX1 | HEX2 |
1042(MS-2) | 1/8 | G 1/8 | 19 | 6 | 14 | 14 |
1/4 | G 1/4 | 25 | 8 | 19 | 17 | |
3/8 | G 3/8 | 27 | 8 | 22 | 19 | |
1/2 | G 1/2 | 32 | 10 | 27 | 22 | |
3/4 | G 3/4 | 35 | 12 | 36 | 32 | |
1” | G 1” | 40 | 14 | 41 | 36 |

オス スイベルコネクタ 1018 | |||||||
品番 | 呼び径 | ネジT1 | ネジT2 | 全長L | 寸法A | DΦ | HEX |
1018 | 1/8 | Gc 1/8 | Rc 1/8 | 都度見積品 | |||
1/4 | Gc 1/4 | Rc 1/4 | 34 | 17 | 5.5 | 19 | |
3/8 | Gc 3/8 | Rc 3/8 | 38 | 19 | 7 | 22 | |
1/2 | Gc 1/2 | Rc 1/2 | 43 | 22 | 10 | 27 | |
3/4 | Gc 3/4 | Rc 3/4 | 49 | 25 | 16 | 36 | |
1” | Gc 1” | Rc 1” | 60 | 22 | 21.5 | 41 |

オスメスニップル 2040 | ||||||||
品番 | 呼び径 | ネジT1 | ネジT2 | 全長L | 寸法A | 寸法B | DΦ | HEX |
2040 | 1/8 | R 1/8 | Rc 1/8 | 25 | 15 | 10 | 4 | 14 |
1/4 | R 1/4 | Rc 1/4 | 30 | 17 | 13 | 5.5 | 19 | |
3/8 | R 3/8 | Rc 3/8 | 34 | 19 | 15 | 7 | 22 | |
1/2 | R 1/2 | Rc 1/2 | 40 | 22 | 18 | 10 | 27 | |
3/4 | R 3/4 | Rc 3/4 | 45 | 25 | 20 | 16 | 36 | |
1” | R 1” | Rc 1” | 49 | 27 | 22 | 21.5 | 41 |

オスメス ユニオン 1011 | ||||||||
品番 | 呼び径 | ネジT1 | ネジT2 | 全長L | 寸法A | 寸法B | DΦ | HEX |
1011 | 1/8 | G 1/8 | G 1/8 | 28 | 11 | 6 | 4 | 14 |
1/4 | G 1/4 | G 1/4 | 34 | 13 | 8 | 5.5 | 19 | |
3/8 | G 3/8 | G 3/8 | 38 | 15 | 8 | 7 | 22 | |
1/2 | G 1/2 | G 1/2 | 46 | 18 | 10 | 10 | 27 | |
3/4 | G 3/4 | G 3/4 | 52 | 20 | 12 | 16 | 36 | |
1” | G 1” | G 1” | 56 | 22 | 12 | 21.5 | 41 | |
1・1/4 | G 1・1/4 | G 1・1/4 | 64 | 25 | 14 | 27.5 | 50 | |
1・1/2 | G 1・1/2 | G 1・1/2 | 64 | 25 | 14 | 33 | 60 |

オスメス コネクタ 1016 | ||||||||
品番 | 呼び径 | ネジT1 | ネジT2 | 全長L | 寸法A | 寸法B | DΦ | HEX |
1016 | 1/8 | 都度見積品 | ||||||
1/4 | Gc 1/4 | R 1/4 | 38 | 13 | 8 | 5.5 | 19 | |
3/8 | Gc 3/8 | R 3/8 | 42 | 15 | 8 | 7 | 22 | |
1/2 | Gc 1/2 | R 1/2 | 50 | 18 | 10 | 10 | 27 | |
3/4 | Gc 3/4 | R 3/4 | 56 | 20 | 12 | 16 | 36 | |
1” | Gc 1” | R 1” | 60 | 22 | 12 | 21.5 | 41 |

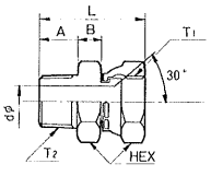
メス スイベルコネクタ 1008 | ||||||||
品番 | 呼び径 | ネジT1 | ネジT2 | 全長L | 寸法A | 寸法B | DΦ | HEX |
1008 | 1/8 | Gc 1/8 | Rc 1/8 | 26 | 15 | 11 |
3 | 14 |
1/4 | Gc 1/4 | Rc 1/4 | 30 | 17 | 13 | 5.5 | 19 | |
3/8 | Gc 3/8 | Rc 3/8 | 34 | 19 | 15 | 7 | 22 | |
1/2 | Gc 1/2 | Rc 1/2 | 40 | 22 | 18 | 10 | 27 | |
3/4 | Gc 3/4 | Rc 3/4 | 45 | 25 | 20 | 16 | 36 | |
1” | Gc 1” | Rc 1” | 49 | 27 | 22 | 21.5 | 41 |
①製品改良の為、仕様・外観を予告なく変更することがあります。 この変更によって生じる損害については、当社はその責任を負いかねますので予めご了承ください。
②ご支給金具を当社にてアセンブリした製品についての金具部分に係る自己の場合、当社はその責任を負いかねますので予めご了承ください。
③実使用を得た製品の修理、交換の場合、修理し再出荷した製品については未使用品と同等の品質を保証するものではありません。修理品に係る自己の場合当社はその責任を負いかねますので予めご了承ください。