製品詳細
| 真鍮 ブッシング 3081 | ||||||||
| 品番 | 呼び径 | ネジT1 | ネジT2 | 全長L | 寸法A | 寸法B | DΦ | HEX |
| 3081 | 1/4×1/8 | R 1/4 | Rc 1/8 | 15 | 5 | 10 | 8 | 14 |
| 3/8×1/8 | R 3/8 | Rc 1/8 | 都度見積品 | |||||
| 3/8×1/4 | R 3/8 | Rc 1/4 | 19 | 6 | 13 | 11 | 20 | |
| 1/2×3/8 | R 1/2 | Rc 3/8 | 21 | 6 | 15 | 15 | 24 | |
| 1/2×3/4 | R 1/2 | Rc 3/4 | 21 | 6 | 15 | 15 | 24 | |
| 1/2×3/8 | R 1/2 | Rc 3/8 | 都度見積品 | |||||
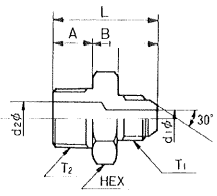
| 真鍮 六角ニップル 3083 | ||||||||
| 品番 | 呼び径 | ネジT1 | ネジT2 | 全長L | 寸法A | 寸法B | DΦ | HEX |
| 3083 | 1/8 | R 1/8 | R 1/8 | 23 | 9 | 5 | 5.5 | 12 |
| 1/4 | R 1/4 | R 1/4 | 26 | 10 | 6 | 8 | 14 | |
| 3/8 | R 3/8 | R 3/8 | 33 | 12.5 | 8 | 10 | 19 | |
| 1/2 | R 1/2 | R 1/2 | 35 | 14 | 7 | 13 | 22 | |
| 3/4 | R 3/4 | R 3/4 | 都度見積品 | |||||
| 1" | R 1" | R 1" | ||||||
| 品番 | 呼び径 | ネジT1 | ネジT2 | 全長L | 寸法A | 寸法B | DΦ | D2Φ | HEX |
| 3083 異 径 |
3/8×1/8 | R 3/8 | R 1/8 | 29 | 13 | 7 | 10 | 5.5 | 19 |
| 3/8×1/4 | R 3/8 | R 1/4 | 31 | 13 | 7 | 10 | 7 | 19 | |
| 3/8×1/2 | R 3/8 | R 1/2 | 34 | 14 | 7 | 13.5 | 10 | 22 | |
| 3/4×1/2 | R 3/4 | R 1/2 | 都度見積品 | ||||||
| 3/4×3/8 | R 3/4 | R 3/8 | 40 | 17 | 8 | 18 | 9 | 28 | |
| 真鍮 オスメスアダプタ 3013 | ||||||||
| 品番 | 呼び径 | ネジT1 | ネジT2 | 全長L | 寸法A | 寸法B | DΦ | HEX |
| 3013 | 1/8 | G 1/8 | R 1/8 | 都度見積品 | ||||
| 1/4 | G 1/4 | R 1/4 | ||||||
| 3/8 | G 3/8 | R 3/8 | 39 | 13 | 9 | 8 | 17 | |
| 1/2 | G 1/2 | R 1/2 | 48 | 18 | 10 | 10 | 22 | |
| 3/4 | G 3/4 | R 3/4 | 54 | 20 | 12.5 | 16 | 30 | |
| 1” | G 1” | R 1” | 58 | 22 | 13 | 21 | 36 | |
| 品番 | 呼び径 | ネジT1 | ネジT2 | 全長L | 寸法A | 寸法B | DΦ1 | DΦ2 | HEX |
| 3013 異 径 |
1/4×1/8PT | G 1/4 | R 1/8 | 34.25 | 13 | 13 | 5.5 | 4 | 14 |
| 3/8×1/4PT | G 3/8 | R 1/4 | 38.5 | 13 | 16 | 7 | 7 | 17 | |
| 1/4×3/8PT | G 1/4 | R 3/8 | 39 | 15 | 15 | 7 | 5.5 | 17 | |
| 3/8×1/2PT | G 3/8 | R 1/2 | 45 | 15 | 20 | 7 | 10 | 22 | |
| 1/2×3/8PT | G 1/2 | R 3/8 | 45 | 18 | 17 | 10 | 8 | 22 | |
| 3/4×1/2PT | G 3/4 | R 1/2 | 50 | 18 | 22 | 16 | 22 | 30 | |
| 1/2×3/4PT | G 1/2 | R 3/4 | 都度見積品 | ||||||
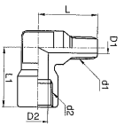
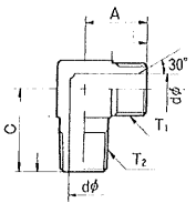
| 真鍮 オスメス 90°エルボ 3088 | |||||||
| 品番 | 呼び径 | d1オス | d2メス | 寸法L1 | 寸法L | D1Φ | D2Φ |
| 3088 | 1/8 | R 1/8 | Rc 1/8 | 19 | 22 | 4 | 4 |
| 1/4 | R 1/4 | Rc 1/4 | 24 | 25 | 8 | 8 | |
| 3/8 | R 3/8 | Rc 3/8 | 28 | 29 | 10 | 10 | |
| 1/2 | R 1/2 | Rc 1/2 | 32 | 34 | 13 | 13 | |
| 1/8×1/4 | R 1/8 | Rc 1/4 | 25 | 25 | 4 | 8 | |
| 1/4×1/8 | R 1/4 | Rc 1/8 | 22 | 22 | 8 | 4 | |
| 1/4×3/8 | R 1/4 | Rc 3/8 | 29 | 29 | 8 | 10 | |
| 3/8×1/4 | R 3/8 | Rc 1/4 | 25 | 25 | 10 | 8 | |
| 3/8×1/2 | R 3/8 | Rc 1/2 | 34 | 34 | 10 | 13 | |
| 1/2×3/8 | R 1/2 | Rc 3/8 | 29 | 29 | 13 | 10 | |
| 真鍮 オスメス ソケット 3040 | ||||||
| 品番 | 呼び径 | d1オス | d2メス | 全長L | DΦ | B |
| 3040 | 1/8 | R 1/8 | Rc 1/8 | 20 | 5 | 14 |
| 1/4 | R 1/4 | Rc 1/8 | 24 | 8 | 17 | |
| 3/8 | R 3/8 | Rc 3/8 | 28 | 11 | 21 | |
| 1/2 | R 1/2 | Rc 1/2 | 33 | 13 | 26 | |
| 3/4 | R 3/4 | Rc 3/4 | 39 | 18 | 32 | |
| 1/8×1/4 | R 1/8 | Rc 1/4 | 22 | 5 | 17 | |
| 1/8×3/8 | R 1/8 | Rc 3/8 | 24 | 5 | 21 | |
| 1/4×1/8 | R 1/4 | Rc 1/8 | 22 | 5 | 14 | |
| 1/4×3/8 | R 1/4 | Rc 3/8 | 26 | 8 | 21 | |
| 1/4×1/2 | R 1/4 | Rc 1/2 | 29 | 8 | 26 | |
| 3/8×1/8 | R 3/8 | Rc 1/8 | 24 | 5 | 17 | |
| 3/8×1/4 | R 3/8 | Rc 1/4 | 26 | 8 | 17 | |
| 3/8×1/2 | R 3/8 | Rc 1/2 | 31 | 11 | 26 | |
| 3/8×3/4 | R 3/8 | Rc 3/4 | 34 | 11 | 32 | |
| 1/2×1/4 | R 1/2 | Rc 1/4 | 28 | 8 | 22 | |
| 1/2×3/8 | R 1/2 | Rc 3/8 | 30 | 11 | 22 | |
| 1/2×3/4 | R 1/2 | Rc 3/4 | 36 | 13 | 32 | |
| 3/4×3/8 | R 3/4 | Rc 3/8 | 31 | 11 | 28 | |
| 3/4×1/2 | R 3/4 | Rc 1/2 | 36 | 13 | 28 | |
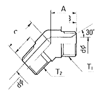
| 真鍮 90°アダプタ 3034 | ||||||
| 品番 | 呼び径 | ネジT1 | ネジT2 | 寸法A | 寸法C | DΦ |
| 3034 | 1/8 | G 1/8 | R 1/8 | 都度見積品 | ||
| 1/4 | G 1/4 | R 1/4 | 23.5 | 25 | 5.5 | |
| 3/8 | G 3/8 | R 3/8 | 30 | 28 | 7 | |
| 1/2 | G 1/2 | R 1/2 | 32 | 29 | 10 | |
| 3/4 | G 3/4 | R 3/4 | 40 | 36 | 16 | |
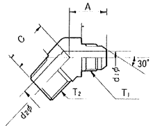
| 品番 | 呼び径 | ネジT1 | ネジT2 | 寸法A | 寸法C | DΦ1 | DΦ2 |
| 3034 異 径 |
1/4×1/8PT | G 1/4 | R 1/8 | 26 | 26 | 4 | 5.5 |
| 3/8×1/4PT | G 3/8 | R 1/4 | 都度見積品 | ||||
| 1/4×3/8PT | G 1/4 | R 3/8 | 30 | 25 | 7 | 4.5 | |
| 3/8×1/2PT | G 3/8 | R 1/2 | 都度見積品 | ||||
| 1/2×3/8PT | G 1/2 | R 3/8 | 30 | 30 | 7 | 10 | |
| 3/4×1/2PT | G 3/4 | R 1/2 | 都度見積品 | ||||
| 1/2×3/4PT | G 1/2 | R 3/4 | |||||
| 3/8×1/8PT | G 3/8 | R 1/8 | 25 | 26 | 4 | 5.5 | |
| 1/2×1/4PT | G 1/2 | R 1/4 | 30 | 30 | 4 | 10 | |
| 真鍮 90° アダプタ 3033 | ||||||
| 品番 | 呼び径 | ネジT1 | ネジT2 | 寸法A | 寸法C | DΦ |
| 3033 | 1/8 | G 1/8 | R 1/8 | 都度見積品 | ||
| 1/4 | G 1/4 | R 1/4 | 25 | 25 | 5.5 | |
| 3/8 | G 3/8 | R 3/8 | 30 | 30 | 7 | |
| 1/2 | G 1/2 | R 1/2 | 31 | 31 | 10 | |
| 3/4 | G 3/4 | R 3/4 | 40 | 40 | 16 | |
| 品番 | 呼び径 | ネジT1 | ネジT2 | 寸法A | 寸法C | DΦ1 | DΦ2 |
| 3033 異 径 |
1/4×1/8PT | G 1/4 | R 1/8 | 26 | 29 | 4 | 5 |
| 3/8×1/8PT | G 3/8 | R 1/4 | 25 | 29 | 4 | 7 | |
| 3/8×1/4PT | G 1/4 | R 3/8 | 30 | 30 | 5 | 7 | |
| 1/4×3/8PT | G 1/4 | R 1/2 | 30 | 30 | 8 | 5.5 | |
| 1/2×3/8PT | G 1/2 | R 3/8 | 32 | 31 | 10 | 10 |
| 真鍮 90° アダプタ 3036 | ||||||
| 品番 | 呼び径 | ネジT1 | ネジT2 | 寸法A | 寸法C | DΦ |
| 3036 | 1/8 | G 1/8 | R 1/8 | 都度見積品 | ||
| 1/4 | G 1/4 | R 1/4 | 21.5 | 21.5 | 5.5 | |
| 3/8 | G 3/8 | R 3/8 | 26 | 24 | 7 | |
| 1/2 | G 1/2 | R 1/2 | 26.5 | 27 | 10 | |
| 3/4 | G 3/4 | R 3/4 | 31.5 | 31 | 16 | |
| 品番 | 呼び径 | ネジT1 | ネジT2 | 全長L | 寸法A | 寸法C | DΦ | HEX |
| 3036 異 径 |
1/4×1/8PT | G 1/4 | R 1/8 | 都度見積品 | ||||
| 3/8×1/4PT | G 3/8 | R 1/4 | ||||||
| 1/4×3/8PT | G 1/4 | R 3/8 | ||||||
| 3/8×1/2PT | G 3/8 | R 1/2 | ||||||
| 1/2×3/8PT | G 1/2 | R 3/8 | ||||||
| 3/4×1/2PT | G 3/4 | R 1/2 | ||||||
| 1/2×3/4PT | G 1/2 | R 3/4 | ||||||
| 3/4×1”PT | G 3/4 | R 1" | ||||||
| 1”×3/4PT | G 1" | R 3/4 | ||||||
| 真鍮 90° アダプタ 3035 | ||||||
| 品番 | 呼び径 | ネジT1 | ネジT2 | 寸法A | 寸法C | DΦ |
| 3035 | 1/8 | G 1/8 | R 1/8 | 都度見積品 | ||
| 1/4 | G 1/4 | R 1/4 | 20 | 24 | 5.5 | |
| 3/8 | G 3/8 | R 3/8 | 24 | 25.5 | 7 | |
| 1/2 | G 1/2 | R 1/2 | 27 | 28.5 | 10 | |
| 3/4 | G 3/4 | R 3/4 | 32 | 32 | 16 | |
| 品番 | 呼び径 | ネジT1 | ネジT2 | 寸法A | 寸法C | DΦ1 | DΦ2 |
| 3035 異径 | 1/4×1/8PT | G 1/4 | R 1/8 | 都度見積品 | |||
| 3/8×1/4PT | G 3/8 | R 1/4 | 21 | 24 | 4.5 | 4.5 | |
| 1/4×3/8PT | G 1/4 | R 3/8 | 22 | 22 | 7 | 4.5 | |
| 3/8×1/2PT | G 3/8 | R 1/2 | 受注製作品 | ||||
| 1/2×3/8PT | G 1/2 | R 3/8 | 25 | 28 | 7 | 10 | |
| 3/4×1/2PT | G 3/4 | R 1/2 | 都度見積品 | ||||
| 1/2×3/4PT | G 1/2 | R 3/4 | |||||
| 3/8×1/8PT | G 3/8 | R 1/8 | |||||
| 真鍮 両オス ユニオン 3014 | |||||||
| 品番 | 呼び径 | ネジT1 | ネジT2 | 全長L | 寸法A | DΦ | HEX |
| 3014 | 1/8 | G 1/8 | G 1/8 | 都度見積品 | |||
| 1/4 | G 1/4 | G 1/4 | 40 | 15.5 | 5.5 | 14 | |
| 3/8 | G 3/8 | G 3/8 | 43 | 17.5 | 8 | 17 | |
| 1/2 | G 1/2 | G 1/2 | 50 | 20 | 10 | 22 | |
| 3/4 | G 3/4 | G 3/4 | 54 | 20 | 16 | 30 | |
| 1” | G 1” | G 1” | 57 | 22 | 21 | 36 | |
| 真鍮 アダプタ 3009 | ||||||||
| 品番 | 呼び径 | ネジT1 | ネジT2 | 全長L | 寸法A | 寸法B | DΦ | HEX |
| 3009 | 1/8 | G 1/8 | R 1/8 | 受注製作品 | ||||
| 1/4 | G 1/4 | R 1/4 | 32 | 12 | 13 | 5.5 | 16 | |
| 3/8 | G 3/8 | R 3/8 | 36 | 13.5 | 15 | 7 | 17 | |
| 1/2 | G 1/2 | R 1/2 | 46 | 18 | 18 | 10 | 22 | |
| 3/4 | G 3/4 | R 3/4 | 52 | .20 | 20 | 16 | 30 | |
| 1” | G 1” | R 1” | 都度見積品 | |||||
| 1・1/4 | G 1・1/4 | R 1・1/4 | ||||||
| 1・1/2 | G 1・1/2 | R 1・1/2 | ||||||
| 2” | G 2” | R 2” | ||||||
| 品番 | 呼び径 | ネジT1 | ネジT2 | 全長L | 寸法A | 寸法B | DΦ1 | DΦ2 | HEX |
| 3009 異 径 |
1/4×1/8PT | G 1/4 | R 1/8 | 都度見積品 | |||||
| 3/8×1/4PT | G 3/8 | R 1/4 | 35 | 12 | 15 | 7 | 5.5 | 19 | |
| 1/4×3/8PT | G 1/4 | R 3/8 | 36 | 15 | 17 | 5.5 | 7 | 19 | |
| 3/8×1/2PT | G 3/8 | R 1/2 | 44 | 18 | 15 | 7 | 10 | 22 | |
| 1/2×3/8PT | G 1/2 | R 3/8 | 43 | 15 | 18.5 | 10 | 7 | 22 | |
| 3/4×1/2PT | G 3/4 | R 1/2 | 都度見積品 | ||||||
| 1/2×3/4PT | G 1/2 | R 3/4 | |||||||
| 3/4×1”PT | G 3/4 | R 1” | |||||||
| 1”×3/4PT | G 1” | R 3/4 | |||||||
| 真鍮 90° ニップル 3086 | ||||
| 品番 | 呼び径 | d | 寸法L | DΦ |
| 3086 | 1/8 | R 1/8 | 17 | 4 |
| 1/4 | R 1/4 | 22 | 8 | |
| 3/8 | R 3/8 | 25 | 10 | |
| 1/2 | R 1/2 | 29 | 13 | |
| 3/4 | R 3/4 | 34 | 17 | |
①製品改良の為、仕様・外観を予告なく変更することがあります。 この変更によって生じる損害については、当社はその責任を負いかねますので予めご了承ください。
②ご支給金具を当社にてアセンブリした製品についての金具部分に係る自己の場合、当社はその責任を負いかねますので予めご了承ください。
③実使用を得た製品の修理、交換の場合、修理し再出荷した製品については未使用品と同等の品質を保証するものではありません。修理品に係る自己の場合当社はその責任を負いかねますので予めご了承ください。